Rendelhető, 4-5 nap
1 488 Ft
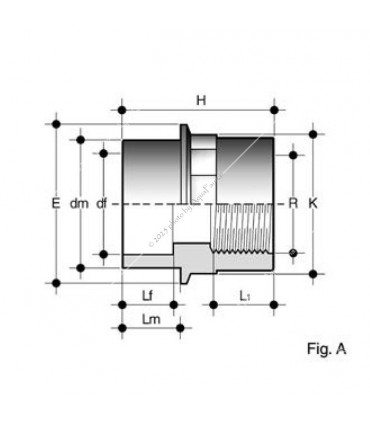
40 mm külső vastagságú PVC nyomócső.
Ragasztható változat.

















































